PRODUCT

  • ¾ÚÇÃ Ampoule

    Á¤È®ÇÑ Ä¿ÆÃ ±â¼ú·Î Ä¿ÆÃÀÌ ½±°Ô µË´Ï´Ù.

  • ´Ù¾çÇÑ ¾ÚÇÃ(Ampoule) Á¦ÀÛ

    ´Ù¾çÇÑ ¸ð¾çÀÇ ÀÔ±¸¸¦ °¡Áø ¾ÚÇÃ(Ampoule) Á¦ÀÛÀÌ °¡´ÉÇÕ´Ï´Ù.

  • ±¹³» À¯ÀÏÇÑ »ý»ê±â¼ú

    ±¹³»¿¡¼­ À¯ÀÏÇÏ°Ô ´õºí ¾ÚÇÃ(Ampoule) »ý»ê±â¼úÀ» º¸À¯Çϰí ÀÖ½À´Ï´Ù.

  • OPTICOM SYSTEM

    ÷´Ü Á¦Á¶¼³ºñÀÎ OPTICOM SYSTEMÀ» »ç¿ëÇÕ´Ï´Ù.

  • Àú»ê¼Ò ¹ö³Ê »ç¿ë

    ´ç»ç °³¹ß Àú»ê¼Ò ¹ö³Ê »ç¿ëÀ¸·Î ¾ËÄ®¸® ¿ëÃâÀÌ Àû½À´Ï´Ù.

  • ½ÇÅ©½ºÅ©¸° Àμâ

    ½ÇÅ©½ºÅ©¸° Àμâ·Î Àμâ ǰÁúÀÌ ¿ì¼öÇÏ¸ç ´Ù¾çÇÑ »ö»óÀÇ ÀμⰡ °¡´ÉÇÕ´Ï´Ù.

Á¦Ç°¼Ò°³


¾ÚÇÃ AMPOULE


(ÁÖ)½ÅÀÏÆÊ±Û¶ó½º ¸ðµç ¾ÚÇÃ(Ampoule)µéÀº Á¤È®ÇÑ Ä¿ÆÃ ±â¼úÀÇ Àû¿ëÀ¸·Î ½±°Ô Ä¿ÆÃµÇ´Â ÀåÁ¡À» °¡Áö°í ÀÖ½À´Ï´Ù. ÷´Ü Á¦Á¶¼³ºñÀÎ OPTICOM SYSTEMÀÌ À¯¸®°ü ¿Ü°æ ÆíÂ÷¿Í ÁÖÀ§ ÀÛ¾÷ȯ°æ º¯È­¿¡ µû¶ó ¹ö³Ê ºÒ²ÉÀÌ ÀÚµ¿ Á¦¾îµÇ¾î ±Ô°Ý ÆíÂ÷°¡ Àû°í, ÷´Ü Ä¿ÆÃ ÀåºñÀÎ OPTICUT SYSTEMÀÌ ¾ÚÇÃ(Ampoule) ¸ñÆíÂ÷¿¡ µû¶ó ¿øÆ÷ÀÎÆ® À§Ä¡°¡ Á¶ÀýµÇ¾î Ä¿ÆÃ Æ÷ÀÎÆ® °­µµ°¡ ±ÕÀÏÇÕ´Ï´Ù.

Complete Sterilization

ÀÇ·á¿ë¡¤È­Àåǰ¡¤½Äǰ¿ë±â·Î »ç¿ë °¡´ÉÇϸç, ¾ÚÇÃ(Ampoule) ³»¡¤¿ÜºÎ ¿ì¼öÇÑ Ã»°á»óÅ·Π¿ÏÀü »ì±ÕÀÌ °¡´ÉÇÕ´Ï´Ù.

Various Shape

°ðÀº ¸ð¾ç¡¤³ªÆÈ¸ð¾ç¡¤¹ÐÆóÇü µî ´Ù¾çÇÑ ¸ð¾çÀÇ ÀÔ±¸¸¦ °¡Áø ¾ÚÇÃ(Ampoule) Á¦ÀÛÀÌ °¡´ÉÇÕ´Ï´Ù.

Double Ampoule

±¹³»¿¡¼­ À¯ÀÏÇÏ°Ô ´õºí ¾ÚÇÃ(Ampoule) »ý»ê±â¼úÀ» º¸À¯Çϰí ÀÖÀ¸¸ç, ǰÁú°ú °­µµ°¡ ¿ì¼öÇÕ´Ï´Ù.




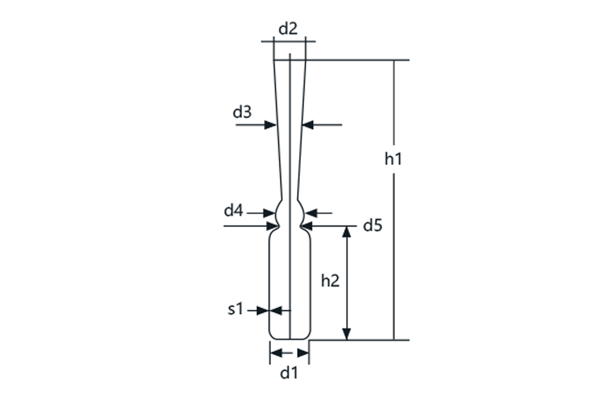
¿øÆ÷ÀÎÆ® ¾ÚÇà ±Ô°Ý ¹× ´ÜÀ§





ml
¿ë·®
d1
°ü¿Ü°æ
d2
ȯ³Ú
d3
¿ëºÀ
d4
¸Ó¸®
d5
¸ñ
h1
˟ˌ
h2
µ¿Àå
S1
°üµÎ²²
1 10.0 6.8 5.5 7.3 6.3 68.0 27.0 0.45
1 11.2 7.3 5.7 7.5 6.4 68.0 27.5 0.68
2 11.2 7.5 5.7 7.5 6.5 75.0 34.5 0.68
3 11.2 7.5 5.7 7.5 6.5 86.0 48.0 0.68
3 15.0 8.0 6.5 8.5 7.5 75.0 34.0 0.50
5 15.0 8.0 6.5 8.5 7.5 86.0 46.0 0.50
5 17.0 9.0 7.5 9.0 8.0 85.0 40.0 0.50
10 17.0 8.5 7.0 9.0 8.0 109.0 63.0 0.50
12 22.5 10.5 7.5 11.5 9.0 100.0 55.0 0.70
20 22.5 10.5 7.5 11.5 9.0 120.0 74.0 0.70
24 22.5 11.0 7.5 12.0 9.0 160.0 80.0 0.70

*Ç¥¿¡ ³ª¿Â ±Ô°ÝÀº ´ç»ç ´ëÇ¥ ±Ô°ÝÀ¸·Î d1(°ü¿Ü°æ) s1(°üµÎ²²)¸¦ Á¦¿ÜÇÑ ³ª¸ÓÁö ±Ô°ÝÀº ÇùÀÇ ÈÄ Á¶Á¤ °¡´ÉÇÕ´Ï´Ù.







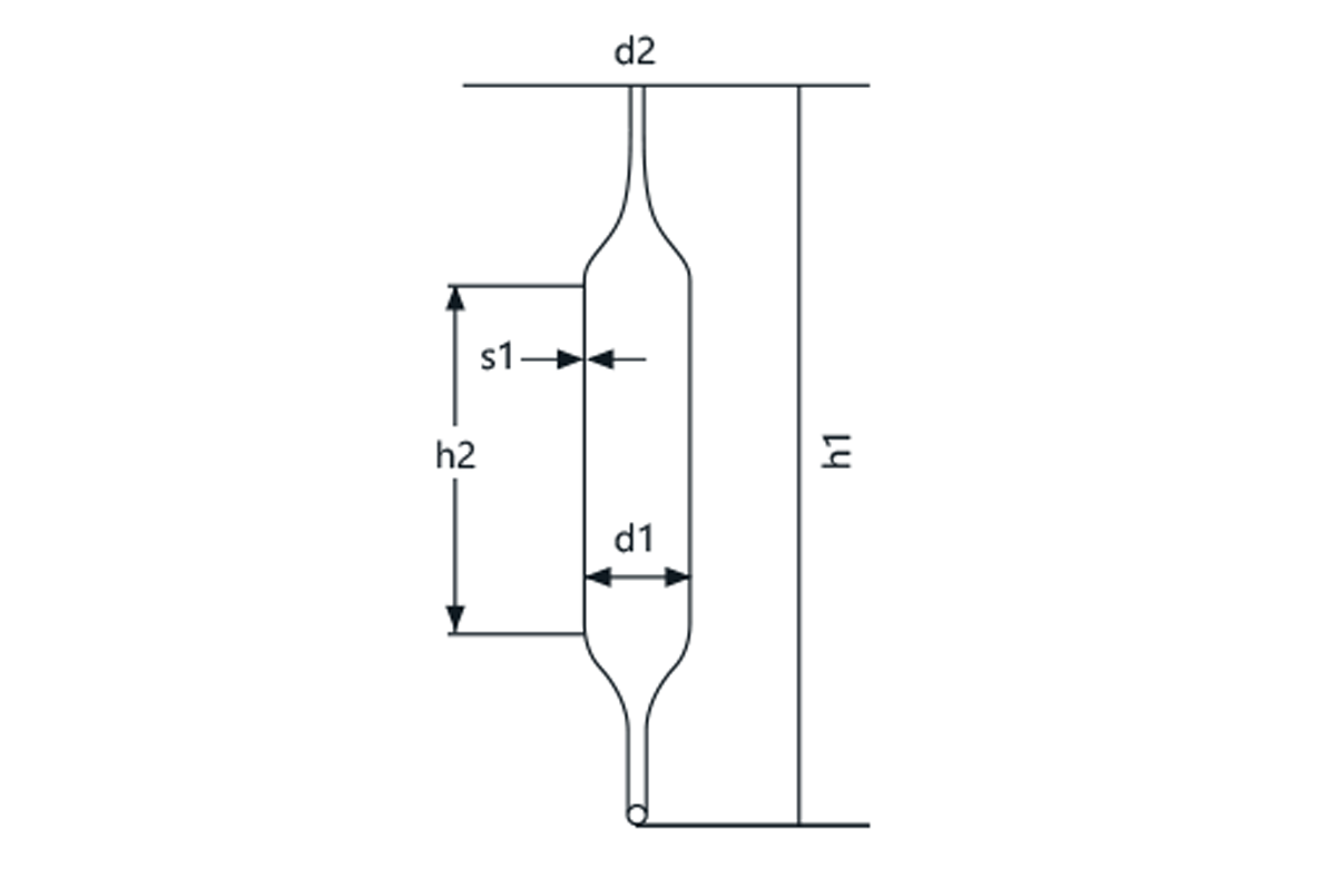
´õºí ¾ÚÇà ±Ô°Ý ¹× ´ÜÀ§





ml
¿ë·®
d1
°ü¿Ü°æ
d2
¿ë·®
h1
˟ˌ
h2
µ¿Àå
s1
°üµÎ²²
5 12.55 1.7 94.5 48.0 0.45
7 15.65 2.0 94.5 45.0 0.53
10 15.65 2.0 111.5 62.0 0.53
15 19.25 2.3 118.5 59.5 0.55
20 19.25 2.3 134.5 79.0 0.55

*Ç¥¿¡ ³ª¿Â ±Ô°ÝÀº ´ç»ç ´ëÇ¥ ±Ô°ÝÀ¸·Î d1(°ü¿Ü°æ) s1(°üµÎ²²)¸¦ Á¦¿ÜÇÑ ³ª¸ÓÁö ±Ô°ÝÀº ÇùÀÇ ÈÄ Á¶Á¤ °¡´ÉÇÕ´Ï´Ù.



Sterilizable

¾ÚÇÃ(Ampoule) ³»,¿ÜºÎ ¿ì¼öÇÑ Ã»°á»óÅ·Π¿ÏÀü»ì±ÕÀÌ °¡´ÉÇÕ´Ï´Ù.

THE ONLY DOUBLE

±¹³»¿¡¼­ À¯ÀÏÇÏ°Ô ´õºí ¾ÚÇÃ(Ampoule) »ý»ê±â¼úÀ» º¸À¯Çϰí ÀÖ´Â ±â¾÷ÀÔ´Ï´Ù.

EFFECTIVE

´ç»ç¿¡¼­ Àú»ê¼Ò¿ë ¹ö³Ê¸¦ °³¹ßÇÏ¿© ¾ÚÇÃ(Ampoule)ÀÇ ¾ËÄ«¸® ¿ëÃâÀÌ ¸Å¿ì ³·½À´Ï´Ù.

ACCURATE CUTTING

Á¤È®ÇÑ Ä¿ÆÃ ±â¼úÀÇ Àû¿ëÀ¸·Î ¾ÚÇÃ(Ampoule)ÀÌ ½±°Ô Ä¿ÆÃµÇ´Â ¸Å¿ì ¿ì¼öÇÑ ÀåÁ¡ÀÌ ÀÖ½À´Ï´Ù.

SILK PRINT

°í°´´ÔÀÇ ÁÖ¹® ¿äû¿¡ µû¶ó ´Ù¾çÇÑ »ö»óÀÇ ¼±¸íÇÏ°í ±ò²ûÇÑ ½ÇÅ©½ºÅ©¸° ÀμⰡ °¡´ÉÇÕ´Ï´Ù.

VARIOUS

¾ÚÇÃ(Ampoule)Àº ÀÇ·á¿ë¡¤È­Àåǰ¡¤½Äǰ¿ë±â µî ´Ù¾çÇÑ ºÐ¾ßÀÇ ¿ë±â·Î »ç¿ëÀÌ °¡´ÉÇÕ´Ï´Ù.